小型断线检测器__小型断纱检测器

    RQJ是一款小型,通用的断线检测器。在压电原理中运行,用于监测纱线的运动。这样的工作原理使它能适用于各种类的纱线,并且对灰尘、污垢和湿度的变化而不影响其灵敏度。

    该检测器装有可适用于PLC(可编程序逻辑控制器)或者其他电子控制装置的光耦合器。LED灯显示纱线的运动状态。陶瓷感应部件可选择闭合眼孔的型号或者开口式型号。数个探测器可以并联连接。

功能描述

感应部件    氧化铝陶瓷,3mm直径闭合眼孔与4mm开口式瓷眼。

输出        光耦输出,当纱线无运动时启动。

灵敏度调节  同通过盖子下面的电位计调节灵敏度。

输出反映纱线的运动情况。当有纱线运动时,光耦合器不开启。当无纱线运动时,光耦合器启动。

当纱线运动时,LED灯亮;

检测器可以配备线和6/4电话线模块插头;

许多检测器可以并联连接,检测器避免在供电时出现极性错误。

PNP常开输出配置

无纱线运动输出高电平

接线方法:红线:电源+24V;

          黑线:信号输出

          蓝线:0V;

(注:黑线与红线直接驱动继电器线圈时,必须并联一个二极管隔离保护,输出反映纱线的运动情况:当有纱线运行时,继电器启动;当无纱线运动时, 继电器不启动。)

PNP常闭输出配置

无纱线运动输出低电平

接线方法:红线:电源+24V;

          黑线:信号输出

          蓝线:0V;

(注:黑线与红线直接驱动继电器线圈时,必须并联一个二极管隔离保护,也可以多个检测器并联连接驱动一个继电器,输出反映纱线的运动情况:当有纱线运行时,继电器不开启;当无纱线运动时, 继电器启动。)

PNP常开输出配置

无纱线运动输出低电平

接线方法:红线:电源+24V;

          黑线:信号输出

          蓝线:0V;

(注:黑线与红线直接驱动继电器线圈时,必须并联一个二极管隔离保护,输出反映纱线的运动情况:当有纱线运行时,继电器启动;当无纱线运动时, 继电器不启动。)

PNP常闭输出配置

无纱线运动输出高电平

接线方法:红线:电源+24V;

          黑线:信号输出

          蓝线:0V;

(注:黑线与红线直接驱动继电器线圈时,必须并联一个二极管隔离保护,也可以多个检测器并联连接驱动一个继电器,输出反映纱线的运动情况:当有纱线运行时,继电器不开启;当无纱线运动时, 继电器启动。)

灵敏度调节

如果灵敏度的出厂设置不合适,可以通过在盖子底部的电位计调节。

使用最大尺寸为2.5mm的螺丝刀进行调节。

绿灯常亮,断线不停或者太慢(逆时针方向微调) 适用粗的,快速运动或者高张力的纱线。

没有断线误停(顺时针方向微调) 适用细的,慢速运动或者低张力的纱线。

应用范围:卷线机、纺纱机、捻丝机、变形机、缝纫机、包线机、络纱机、双拾取/多拾取的喷气织机。

技术参数

反应时间-----150ms

输出延时-----150ms至2m

电源---------12~24 V DC

电流用量-----20mA

16720 线长 0.5 m 输出延时 150 ms

16730 线长 3.5 m 输出延时 150 ms

16750 线长 0.5 m 输出延时 1s

16760 线长 3.5 m 输出延时 1s

(可以按客户要求设置输出延时最大3s)

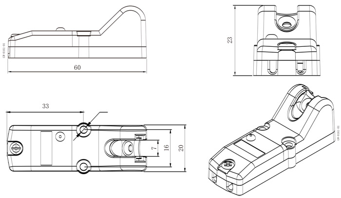
尺寸

纱线可运行的方向

纱线任何时间都要保持恒定的张力拉直并且紧贴陶瓷壁摩擦运行非常重要!

NPN输出配置

无纱线运动输出低电平

接线方法:红线 接电源+24V;

          黑线与绿线 0V;

          黄线 信号输出

(注:红线与黄线直接驱动继电器线圈时,必须并联一个二极管隔离保护。)

NPN输出配置

无纱线运动输出高电平,多个检测器可以并联连接控制PLC。

接线方法:红线与黄线 接电源+24V;

          黑线:0V;

          绿线:信号输出

(注:黑线与绿线直接驱动继电器线圈时,必须并联一个二极管隔离保护,也可以多个检测器并联连接驱动一个继电器)

连接线:0.5m或3.5m长的都可以配6/4电话线模块插头

        该检测器可适用于PLC(可编程序逻辑控制器)或者其他电子控制装置。

        顶部带夹式连接方式的视图

        黄色:输出A

        绿色:输出B

        红色:电压(+12~24VDc)

        黑色:电压(-0)

        输出:光耦合器,常闭

        输出负载:最大200mA,30V DC

Tel:+86-757-81252629  Fax:+86-757-81252629  E-mail:rxhwuwei@163.com

Copyright(C)Foshan RuiQuanJie Electronic Technology Co.,LTD

佛山睿全界电子科技有限公司

展开
  • 在线咨询
  • 欢迎联系

    微信咨询

  • 扫二维码加微信
  • 电话咨询

  • 咨询
    0757-81252629

  • 传真
    0757-83671708